FYBER SYSTEM TECHNOLOGY (FST)
UNIS FST – уникальная система армирующих волокон, разработанная научно-техническим центром ГК UNIS. Ее эффективность подтверждена совместными лабораторными испытаниями компании UNIS и ведущими лабораториями Московского государственного строительного университета.
UNIS FST – это индивидуальный подход, ведь тип волокон мы подбираем под конкретные задачи конкретного состава.
Прежде, чем создать смеси с FST, мы анализируем условия работы каждого из запланированных материалов (клеи, стяжки или штукатурки) в процессе эксплуатации. Затем реально оцениваем, возможно ли путем введения волокон в состав продукта улучшить его качества и повысить долговечность отделки. И если получаем утвердительный ответ — добавляем те волокна, которые максимально соответствуют определенным задачам и конкретному составу.
Функции волокон различны и зависят от их состава: одни повышают трещиностойкость, другие – надежность покрытия. То есть по сути система FST — это комплексный подход улучшения качества смесей самого различного функционала.
ИСПОЛЬЗОВАНИЕ СИСТЕМЫ FST:
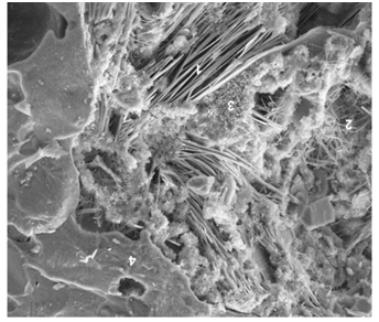
- позволяет создать в слое материала высокопрочный эластичный каркас, который значительно повышает эксплуатационные характеристики, износостойкость и долговечность отделки;
- существенно увеличивает прочностные характеристики состава за счет равномерного распределения волокон по всей толщине слоя;
- снижает усадку и риск появления трещин;
- повышает надежность материалов в неблагоприятных условиях нанесения, твердения и эксплуатации (низкая влажность, высокая температура и ее резкие колебания, солнечные лучи, ветер).

Цементный состав без системы FST Цементный состав с системой FST
АРМИРОВАННЫЕ ПРОДУКТЫ С СИСТЕМОЙ UNIS FST НЕЗАМЕНИМЫ:
- для зон, подверженных деформациям, ударным и изгибающим нагрузкам;
- для участков, где присутствуют температурные колебания и значительные нагрузки при эксплуатации поверхностей;
- для новостроек, не прошедших этапы осадки;
- для строений, расположенных по соседству с магистралями, железными дорогами, заводами и другими местами с усиленной вибрационной нагрузкой.

UNIS FST используется в составах разного назначения и функционала для решения различных задач.
В СОСТАВАХ ДЛЯ ВЫРАВНИВАНИЯ ПОЛОВ:
- снижает усадку и риск растрескивания;
- дает возможность толстослойного нанесения;
- снижает риск расслоения составов при укладке или заливке;
- повышает стойкость к динамическим нагрузкам (хождение, езда, удары) и деформациям (осадка фундамента, пучение грунта при промерзании);
- гарантирует отсутствие микропустот, повышение плотности и как следствие – прочности затвердевшего раствора.

Узнайте больше про армированные составы для выравнивания пола.
В ШТУКАТУРНЫХ СОСТАВАХ:
- не требует использования штукатурной сетки;
- позволяет наносить штукатурные составы более толстыми слоями;
- повышает морозостойкость и упругость составов, снижает их хрупкость, а значит – увеличивает срок службы;
- дает возможность создавать более гладкую и плотную поверхность.

В КЛЕЕВЫХ СОСТАВАХ:
- снижает риск появления микропустот и микротрещин;
- повышает прочность: ударную и на растяжение при изгибе;
- повышает морозостойкость облицовки;
- повышает стойкость к динамическим нагрузкам (хождение, езда, удары) и деформациям (осадка фундамента, пучение грунта при промерзании).

Узнайте больше про армированные клеевые составы.
В УНИКАЛЬНЫХ ПРОДУКТАХ:
- снижение риска растрескивания;
- снижение усадки;
- повышение прочности.

Проконсультироваться по выбору нужного состава, идеального для ваших целей и задач, можно по телефону: 8-800-555-51-32